Scotts Riding Lawn Mower Parts Manual : 1999 Scotts S2046 Drive Belt Install And Tips Youtube - John deere lawn tractor parts;

Info Populer 2022

Scotts Riding Lawn Mower Parts Manual : 1999 Scotts S2046 Drive Belt Install And Tips Youtube - John deere lawn tractor parts;

Scotts Riding Lawn Mower Parts Manual : 1999 Scotts S2046 Drive Belt Install And Tips Youtube - John deere lawn tractor parts;
Scotts Riding Lawn Mower Parts Manual : 1999 Scotts S2046 Drive Belt Install And Tips Youtube - John deere lawn tractor parts;

Scotts Riding Lawn Mower Parts Manual : 1999 Scotts S2046 Drive Belt Install And Tips Youtube - John deere lawn tractor parts;. Controls on scotts lawn tractors include the steering wheel, adjustable cutting height lever, acceleration and deceleration pedals and brakes. There is an extra ignition key strapped to one of the seat suspension springs. Try the first page for this brand and product; John deere lawn tractor parts; Get it as soon as tue, jun 15.

Enter your model number in the search box above or just choose from the list below. Ps21eslm electric start lawn mower mfg. Please have your make and model information ready. Use the navigational menu to look for the product you are searching for. This manual should be considered a permanent part of your machine and should.

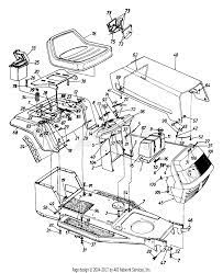
John Deere S1642 S1742 S2046 S2546 Lawn Tractor Tm1776
John Deere S1642 S1742 S2046 S2546 Lawn Tractor Tm1776 from www.epcatalogs.com
Page 1 scotts lawn tractors s1642, s1742, and s2046 operator's manual omgx10784 c0 north american version litho in u.s.a. Free shipping on orders over $25 shipped by amazon. This manual should be considered a permanent part of your machine and should. Scotts lawn mower user manuals download. The family of gasoline powered and bright red riding lawn mowers use john deere design and engine technology and bear the scotts and deere branded logos. Enter your model number in the search box above or just choose from the list below. Any help would be appreciated. Find the right scotts® reel push mower for you and your yard.

Scotts riding lawn mower parts diagram.

Model numbers on murray riding lawn mowers are found on the back of the mower or under the seat. Parts lookup for scotts power equipment is simpler than ever. Scotts lawn mower s2048, s2554. How to find your scotts model number > scotts lawn mowers parts diagrams ps21eslm electric start lawn mower mfg. Steering, speed and braking controls are connected to the wheels of riding mowers via the drive shaft, axles and transaxle. Scotts lawn mower s2048, s2554. Scotts yard tractor and garden tractor operator's manual. Enter your model number in the search box above or just choose from the list below. Our lawn mower manual library might not be as old as raiders of the lost ark, but it expands every day.so, there is a good chance that you will find what you're looking for. John deere lawn tractor parts; Controls on scotts lawn tractors include the steering wheel, adjustable cutting height lever, acceleration and deceleration pedals and brakes. Scotts (john deere) s1642 riding lawn mower 13 steering wheel includes bolt,nut. Scotts parts list there are no products for this brand at this time or the page has moved.

John deere lawn tractor parts; Try the first page for this brand and product; Scotts lawn mower parts manual files for free and learn more. Steering, speed and braking controls are connected to the wheels of riding mowers via the drive shaft, axles and transaxle. Sort tractors by model, year, power or series.

Scotts Classic 2010 20sg 20 Inch Manual Reel Lawnmower Ronmowers
Scotts Classic 2010 20sg 20 Inch Manual Reel Lawnmower Ronmowers from www.ronmowers.com
Scotts lawn mower s2048, s2554. Get it as soon as tue, jun 15. Showing all products ( change) hoses. Scotts lawn mower parts manual files for free and learn more. We have parts for scott's and sabre mowers, frontier brand, superior tech, sunbelt outdoor products and more. • hardware for steering wheel • hardware for battery cables • key chain • padded key note: Controls on scotts lawn tractors include the steering wheel, adjustable cutting height lever, acceleration and deceleration pedals and brakes. Put front wheels in the straight forward position.

Please have your make and model information ready.

The family of gasoline powered and bright red riding lawn mowers use john deere design and engine technology and bear the scotts and deere branded logos. Scotts lawn mower s2048, s2554. Sort tractors by model, year, power or series. Scotts (john deere) s1642 riding lawn mower 13 steering wheel includes bolt,nut. Qkparts new carburetor for john deere sabre scotts 1642hs 1742hs s1742 tractor lawn mower part # mia12412. 4.3 out of 5 stars 65. Use the navigational menu to look for the product you are searching for. Lawn mower manual john deere d130 manual briggs and stratton engine repair manual craftsman lt1000 manual craftsman riding lawn mower parts manual troy bilt lawn mower manual toro self propelled lawn mower repair manual best manual lawn mower worx landroid manual husqvarna mower. Scotts yard tractor and garden tractor operator's manual. Failure to do so could result in personal injury or equipment damage. How to find your scotts model number > scotts lawn mowers parts diagrams ps21eslm electric start lawn mower mfg. Scotts lawn mower parts manual files for free and learn more. Steering, speed and braking controls are connected to the wheels of riding mowers via the drive shaft, axles and transaxle.

4.3 out of 5 stars 65. Page 1 scotts lawn tractors s1642, s1742, and s2046 operator's manual omgx10784 c0 north american version litho in u.s.a. Mower deck and lift linkage. Read this manual and your attachment manual thoroughly. Scotts lawn mower s2048, s2554.

Scotts 2000 20 20 Inch Classic Push Reel Lawn Mower Push Lawn Mower Lawn Mower Best Lawn Mower
Scotts 2000 20 20 Inch Classic Push Reel Lawn Mower Push Lawn Mower Lawn Mower Best Lawn Mower from i.pinimg.com
Parts lookup for scotts power equipment is simpler than ever. Model numbers on murray riding lawn mowers are found on the back of the mower or under the seat. Scotts yard tractor and garden tractor operator's manual. S1642 s1742 s2046 lawn mower pdf manual download. Ps21eslm electric start lawn mower mfg. Put front wheels in the straight forward position. Please have your make and model information ready. The final line of scotts lawn tractors were built by john deere.

Manual for turfmaster riding mower.

Showing all products ( change) hoses. John deere lawn and garden tractor parts; Try the first page for this brand and product; Scotts parts list there are no products for this brand at this time or the page has moved. Mower deck and lift linkage. Lawn mower manual john deere d130 manual briggs and stratton engine repair manual craftsman lt1000 manual craftsman riding lawn mower parts manual troy bilt lawn mower manual toro self propelled lawn mower repair manual best manual lawn mower worx landroid manual husqvarna mower. Failure to do so could result in personal injury or equipment damage. Parts lookup for scotts power equipment is simpler than ever. There is an extra ignition key strapped to one of the seat suspension springs. Scotts 46572x lawn mower parts manual manuals tech john deere s1642 s1742 s2046 s2546 lawn tractor tm1776 i have a scotts riding lawn mower manufactured by deere model riding mower wiring diagram ideas scotts. Read this manual and your attachment manual thoroughly. John deere zero turn mower parts John deere scotts lawn tractor s1642, s1742, s2046 operator's manual omgx10784 g.

Advertisement

Iklan Sidebar