Mtd Lawn Mower Parts List / Replacement Parts Service : Almost exactly 4 business days from the time i placed the order until now.

Info Populer 2022

Mtd Lawn Mower Parts List / Replacement Parts Service : Almost exactly 4 business days from the time i placed the order until now.

Mtd Lawn Mower Parts List / Replacement Parts Service : Almost exactly 4 business days from the time i placed the order until now.
Mtd Lawn Mower Parts List / Replacement Parts Service : Almost exactly 4 business days from the time i placed the order until now.

Mtd Lawn Mower Parts List / Replacement Parts Service : Almost exactly 4 business days from the time i placed the order until now.. Contact by e mail or phone or. Shop engine parts support quick links. If you cannot find your part please contact our support line where we will be happy to help you. Mtd genuine parts lawn mower blade adapter kit for mowers 1997 and after. Mtd lawnflite spare parts, mtd lawnflite parts, mtd lawnflite lawnmower spares, mtd lawnflite lawn mower spares.

I recently placed an order on may 10 11:59am on parts for an mtd trimmer. Find the location closest to you. All mower spares stocks the genuine spare parts you. Lawnflite chipper, vac, compost shredder spares. Belts, blades, tires/wheels, engine parts, and more.

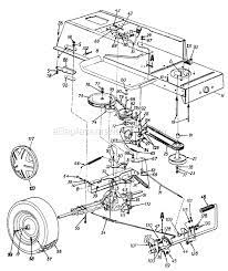
Mtd 54m7 Gas Walk Behind Mower Parts Sears Partsdirect
Mtd 54m7 Gas Walk Behind Mower Parts Sears Partsdirect from c.searspartsdirect.com
How to find mtd model number. Brand new, genuine mtd / lawnflite recoil start / pull. $ 42.02 add to cart in stock. Lawnflite chipper, vac, compost shredder spares. Clutch cover assembly (includes 39) shield assembly (includes 26) Belts, blades, tires/wheels, engine parts, and more. I recently placed an order on may 10 11:59am on parts for an mtd trimmer. Mtd are committed to producing high quality lawn and garden machines, from light mains electric rotary lawnmowers to the excellent new utility vehicle 'big country'.

Looking for lawnflite spares or replacement parts for lawnflite garden tractors, electric mowers, self propelled electric mowers, lawn tractors, petrol chainsaws, petrol mowers, snow throwers, brushcutters, hedge trimmers, leaf blowers and much more you are in the right place.

In australia, our family of brands offers a wide range of products that are designed to meet lawn and garden needs for both residential and commercial products. Lawnflite mtd | spares | parts. Mtd riding mowers give you the power to care for your yard easily and efficiently. Mtd 12/38 single speed transmission transaxle. Lawn mower parts find the parts you need. $ 488.88 add to cart in stock. Please fill in the form at the top. Online genuine mtd, lawnflite, lawnflitepro, victa and rover spare parts & accessories. Learn more » order status; If you already know the part or model number, use our part finder to easily find all types of riding mower parts. Top sellers in mtd lawnmower spares 5.0 out of 5 stars 1. If you cannot find your part please contact our support line where we will be happy to help you.

It is easy and free. Almost exactly 4 business days from the time i placed the order until now. If you cannot find your part please contact our support line where we will be happy to help you. Mtd are committed to producing high quality lawn and garden machines, from light mains electric rotary lawnmowers to the excellent new utility vehicle 'big country'. Mtd yard machines exploded view parts lookup by model.

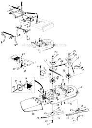
Mtd Mower Belt Diagram Questions Answers With Pictures Fixya
Mtd Mower Belt Diagram Questions Answers With Pictures Fixya from www.fixya.com
Parts made by mtd to make your equipment function to its full potential. Mtd set of 2, made in usa. Get oem parts to keep your machine running right. All of lawnflite products have been chosen to meet our exacting standards for quality, craftsmanship and value for money and every order is backed by our 7 day money back guarantee. Complete exploded views of all the major manufacturers. Contact by e mail or phone or. How to find mtd model number. If you already know the part or model number, use our part finder to easily find all types of riding mower parts.

Get oem parts to keep your machine running right.

Contact by e mail or phone or. If you already know the part or model number, use our part finder to easily find all types of riding mower parts. Belts, blades, tires/wheels, engine parts, and more. If you do not see the mtd lawn mower parts you need, please complete the lawn mower parts request form and we will be happy to assist you. Lawnflite mtd | spares | parts. Get oem parts to keep your machine running right. Top sellers in mtd lawnmower spares Lawn mower parts find the parts you need. If you know the part number you are. I will say that i am very pleased with the service i got & i will definitely be. Online genuine mtd, lawnflite, lawnflitepro, victa and rover spare parts & accessories. All mower spares stocks the genuine spare parts you. Parts made by mtd to make your equipment function to its full potential.

Mtd are committed to producing high quality lawn and garden machines, from light mains electric rotary lawnmowers to the excellent new utility vehicle 'big country'. Lawn mower parts find the parts you need. Mtd yard machines exploded view parts lookup by model. Mtd genuine parts lawn mower blade adapter kit for mowers 1997 and after. Looking for lawnflite spares or replacement parts for lawnflite garden tractors, electric mowers, self propelled electric mowers, lawn tractors, petrol chainsaws, petrol mowers, snow throwers, brushcutters, hedge trimmers, leaf blowers and much more you are in the right place.

Mtd 130 402a Lawn Mower User Manual Manualzz
Mtd 130 402a Lawn Mower User Manual Manualzz from s1.manualzz.com
Lawn mower parts find the parts you need. Looking for lawnflite spares or replacement parts for lawnflite garden tractors, electric mowers, self propelled electric mowers, lawn tractors, petrol chainsaws, petrol mowers, snow throwers, brushcutters, hedge trimmers, leaf blowers and much more you are in the right place. $ 488.88 add to cart in stock. Here are some troubleshooting tips to find out what went wrong, what lawn mower parts you need to fix it and if you'll need to take your lawn mower in for professional service. Online genuine mtd, lawnflite, lawnflitepro, victa and rover spare parts & accessories. Get oem parts to keep your machine running right. Mtd are committed to producing high quality lawn and garden machines, from light mains electric rotary lawnmowers to the excellent new utility vehicle 'big country'. Choke lever (includes 5) choke plate (includes 6) carburetor assembly (includes 9 & 20) carburetor gasket.

I received everything today, may 14 at 11:40am.

Please fill in the form at the top. Lawnflite mtd | spares | parts. Click for full details and fitment list. Belts, blades, tires/wheels, engine parts, and more. Lawnflite chipper, vac, compost shredder spares. Choke lever (includes 5) choke plate (includes 6) carburetor assembly (includes 9 & 20) carburetor gasket. Brand new, genuine mtd / lawnflite recoil start / pull. Only 6 left in stock. $ 488.88 add to cart in stock. Buy lawnflite (mtd) spare parts. We make it easy for you to keep your riding mower performing at peak condition with genuine riding lawn mower parts for all our brands. Mtd genuine parts lawn mower blade adapter kit for mowers 1997 and after. It is easy and free.

Advertisement

Iklan Sidebar